Автоматизация для бассейнов

Полноценная система для бассейна состоит из систем водоснабжения, вентиляции и электроснабжения. Конечно, по-настоящему понять, как работает автоматизация и ощутить ее пользу лучше, если будет проведена полноценная работа для всех систем, но можно сделать и только одну часть. Все будет зависеть от ваших задач.

Автоматизация для бассейнов
На базе оборудования Osmost можно реализовать полное управление помещением бассейна с его инженерными сетями и системами

Что можно автоматизировать в системе водоснабжения:

  • Управление циркуляционными насосами для изменения интенсивности водообмена
  • Управление клапанами форсунок для массажа. Разные режимы и интенсивность массажа
  • Управление подогревом воды. Возможность удалённого включения подогрева перед началом процедур
  • Управление составом воды (Хлорирование, PH). Понижение или повышение PH автоматически независимо от базового состава приточной воды. Поддержание оптимального кол-ва хлора
  • Измерение температуры воды на входе и выходе
  • Измерение состава воды (Хлор, PH) — необходимы для работы системы хлорирования и окисления

Что можно автоматизировать в системе вентиляции бассейна:

  • Управление кондиционерами бассейна, используются для поддержания оптимальной температуры и влажности в помещении
  • Управление основной вентиляцией бассейна
  • Измерение температуры и влажности помещения, для настройки автоматических сценариев по циркуляции или осушению воздуха

Что можно автоматизировать в системе электроснабжения:

  • Управление многозональным освещением бассейна. Можно создавать любые сценарии света, в зависимости от времени суток, настроения или даже от температуры воды
  • Контроль электропитания для предотвращения поражения током. Учитывая «мокрое» помещение, безопасность должна быть повышена
Галерея

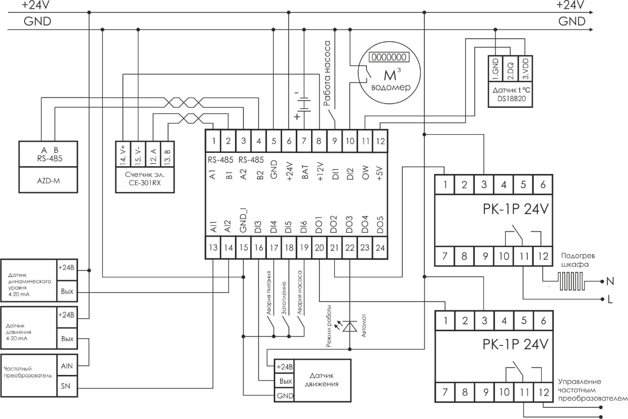
Схема (Скачать PDF)


Стандартный набор оборудования для такого проекта включает в себя диммер 6 LED, контроллер PLC-5E и реле расширения от компании Osmost.

Данный набор решит большинство задач, которые могут быть необходимы клиенту. 

Какие дополнительные функции можно предусмотреть с помощью системы?

  • Управление автоматизацией фонтанов по серии сценариев за счёт управления форсунками, насосами и подсветкой
  • Возможность организации «поющего фонтана»
  • Возможность контроля уровня воды в системе и давления, для предотвращения аварий
Ваш браузер устарел рекомендуем обновить его до последней версии
или использовать другой более современный.